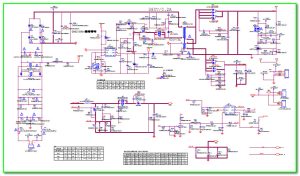
JUC7.820.00217480 схема
Электрическая принципиальная схема платы JUC7.820.00217480
шасси HLS80JS,
CPU: MSD3663LSA,
Источник питания NCP1251A; PF7911B
Внешний вид
*********
Информация взята из открытых источников интернета, распространяется бесплатно и предназначена для специалистов ремонта радиоаппаратуры, а также для подготовленных радиолюбителей в качестве справочного пособия
*******
Напоминаем о том, что современные телевизоры являются сложными устройствами и неквалифицированное вмешательство может привести к непредсказуемым последствиям
*******
Если Вы обнаружили неточность или у Вас имеются вопросы- заходите к нам на ФОРУМ!!
**********
Архив со схемой находится на Яндекс-диске. Чтобы его скачать просто кликните по ссылке ниже (откроется в новом окне)



